Apa spesifikasi detail rel uic54?
Rel UIC54adalah profil rel berat standar yang ditentukan oleh UIC 860, diterapkan secara luas dalam sistem kereta api jalur utama untuk angkutan penumpang dan barang. Dengan bobot teoretis 54,43 kg/m, produk ini menawarkan kombinasi kekuatan, ketahanan aus, dan efisiensi biaya yang seimbang.
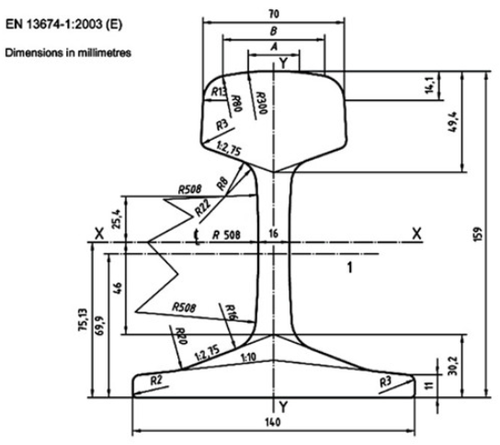
dimensi rel uic54:
Spesifikasi rel UIC54 ditentukan oleh-geometri penampang dan sifat mekaniknya. Parameter ini secara langsung memengaruhi-kapasitas beban dan masa pakai.

| Ukuran | Tinggi rel (mm)
A |
Lebar Bawah (mm)
B |
Lebar Kepala (mm)
C |
Ketebalan Web (mm)
t |
Berat (kg/m) |
| 50E1 | 153.00 | 134.00 | 65.00 | 15.50 | 50.37 |
| 50E2(50EB-T) | 151.00 | 140.00 | 72.00 | 15.00 | 49.97 |
| 50E4 | 152.00 | 125.00 | 70.00 | 15.00 | 50.46 |
| 50E5 | 148.00 | 135.00 | 67.00 | 14.00 | 49.90 |
| 50E6(U50) | 153.00 | 140.00 | 65.00 | 15.50 | 50.90 |
| 54E1(UIC54) | 159.00 | 140.00 | 70.00 | 16.00 | 54.77 |
| 54E2(UIC54E) | 161.00 | 125.00 | 67.00 | 16.00 | 53.82 |
Dimensi ini memastikan distribusi tegangan yang optimal dan kompatibilitas dengan sistem pengikat dan bantalan standar.
PadaKERETA API GNEE, Rel 54e1 diproduksi dengan proses penggulungan terkontrol dan toleransi dimensi yang ketat, memastikan kinerja yang konsisten dan kepatuhan penuh terhadap standar perkeretaapian internasional.
Nilai Baja Apa yang Digunakan untuk profil rel uic54?
Rel UIC54 dapat diproduksi dalam kualitas baja yang berbeda tergantung pada kondisi pengoperasian dan kebutuhan beban. Nilai umum meliputi:

| Standar | Kelas Baja | Sifat Mekanik | ||
| RM MPa | min A5% | HB | ||
| EN 13674 - 1 (2006) | ||||
| R200 | menit 680 |
14 | 200 - 240 | |
| R260 | menit 880 |
10 | 260 - 300 | |
| R260 juta | menit 880 |
10 | 260 - 300 | |
| R350 HT | menit 1175 |
9 | 350 - 390 | |
Bagaimana profil rel uic54 Dibandingkan dengan Jenis Rel Lainnya?
UIC54 rail is a standard heavy-duty rail profile (54.77 kg/m) widely used in Europe and Asia for mainlines, offering high endurance for heavy loads (>beban gandar 25 ton) dan-jalur penumpang berkecepatan tinggi hingga 120--160 km/jam. Dibandingkan dengan rel yang lebih ringan (misalnya, 50 kg/m), rel ini lebih tahan lama; dibandingkan dengan UIC60 yang lebih berat (60,21 kg/m), UIC60 lebih ringan, menawarkan keseimbangan biaya dan kinerja yang lebih baik untuk lalu lintas medium-berat, meskipun dengan kekakuan yang lebih sedikit.
Perbandingan Utama dengan Jenis Rel Lainnya:
- vs UIC60 (60E1):UIC54 is lighter (54.77 kg/m vs 60.21 kg/m), making it slightly less rigid and less suitable for extremely high-speed (>200 km/jam) atau pengangkutan yang sangat-berat dibandingkan dengan UIC60, yang memberikan ketahanan lebih baik terhadap tekukan dan kelelahan.
- vs.AREMA/American Rails:UIC54 adalah profil standar metrik (distandarisasi berdasarkan EN13674-1) yang berfokus pada standar Eropa/Asia, sedangkan rel 136RE atau 141RE Amerika memiliki geometri kepala, alas, dan pancing yang berbeda, sehingga menghasilkan kompatibilitas sistem pengikat yang berbeda.

| Jenis Rel | Dimensi (mm) | Berat (kg/m) | Kelas Baja | |||
|---|---|---|---|---|---|---|
| Tinggi rel (A) | Lebar Bawah (F) | Lebar Kepala (C) | Ketebalan Jaring (t) | |||
| 90ARA-A (TR45) | 142.9 | 130.2 | 65.1 | 14.3 | 44.65 | Kekuatan Standar (SS) Kekuatan Menengah (IS) Kekuatan Tinggi / Kepala Mengeras (HH) |
| 100RE | 152.4 | 136.5 | 68.3 | 14.3 | 50.34 | |
| 115RE (TR57) | 168.3 | 139.7 | 69.1 | 15.9 | 56.9 | |
| 119RE | 173.1 | 139.7 | 67.5 | 15.9 | 58.86 | |
| 132RE | 180.9 | 152.4 | 76.2 | 16.6 | 65.58 | |
| 133RE | 179.39 | 152.4 | 76.2 | 17.46 | 66.1 | |
| 136RE (TR68) | 185.7 | 152.4 | 74.6 | 17.5 | 67.5 | |
| 141RE | 188.91 | 152.4 | 77.79 | 17.46 | 69.94 | |
- vs. Rel yang Lebih Ringan (misalnya, 50 kg/m):UIC54 menawarkan daya tahan yang unggul, peningkatan ketahanan aus, dan kapasitas beban gandar yang lebih tinggi, menjadikannya pilihan yang lebih baik untuk-lalu lintas dengan kepadatan tinggi.
KERETA API GNEEmemproduksi rel UIC54 dengan peralatan rolling yang stabil, memastikan dimensi yang presisi dan sifat mekanik yang konsisten di setiap batch. Kami mendukung berbagai tingkatan seperti R260 dan R350HT, serta panjang rel yang fleksibel untuk menyesuaikan dengan kebutuhan proyek yang berbeda. Mulai dari pemilihan bahan mentah hingga pemeriksaan akhir, setiap langkah dikontrol untuk mengurangi-penyesuaian di lokasi dan meningkatkan efisiensi pemasangan. Hal ini membantu pembeli mengelola biaya dan pengiriman dengan lebih percaya diri. Jika Anda memerlukan spesifikasi, gambar, atau detail harga, Anda bisaHubungi kamiuntuk mendapatkan data kereta api UIC54 dan dukungan proyek, dan kami akan mencocokkan opsi yang sesuai berdasarkan aplikasi Anda.






